Lecture
Transistors, Amplifiers
1. Determine the base current and transfer coefficient h21e of the BPT, connected according to the common emitter circuit, if the collector current increment is 17 mA, and the emitter current is 18 mA. Determine the currents of the transistor IB, IK, IE and the voltage at its terminals relative to the common bus UB, UK, UE for the circuit.
2. Determine the DC gain of the transistor for
scheme.

3. Determine the DC gain of the transistor for
scheme.

4. Determine the current IE in the circuit with a bipolar transistor.

5. Determine the current I and the voltage U for the circuit.

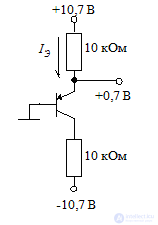
6. Determine the current IE and voltage UК for the circuit.

7. Determine the power at the output of the voltage amplifier, if Rн = 40 Ω, voltage gain 200, input voltage 0.01, V.

8. Determine the voltage at the input of the amplifier, if the resistance
Rн = 100 Ohm, Pout = 2.5 W, КU = 50.

9. Determine the input voltage of the amplifier, if the resistance
Rн = 100 Ohm, Pout = 2.5 W, КU = 50.

10. Determine the base current Ib and the voltage drop across the transistor Uke in the voltage amplifier, if Rb = 150 kΩ, Rc = 1.25 kΩ, Ek = 9 V, h21 = 40, Ub = 0

11. Determine the gain of the two-stage amplifier current KI and voltage KU, if the load resistance is 10 Ohms, the input voltage of the amplifier is 0.1 V, the power delivered to the load is 0.45 W, the input resistance of the first stage is 100 Ohms.

12. Determine the resistance Rc of the voltage amplifier, if Ек = 10 V, Uкэп = 4 V, Iкп = 5 mА

13. Find the value Kus in the voltage amplifier, Rout, if h11 = 900, Ohm, h21 = 50, h22 = 0.00016 Sim, Rk = 3 kΩ. When calculating use the equivalent circuit of the amplifier.

14. What is the EC in the voltage amplifier, if Ucap = 7.5 V, Ikp = 1 mA, Rout = 2.5 kΩ?

15. In the voltage amplifier on the BPT, with the load Rн = 250 Ohm, Uin = 0.1 V, In = 20 mA, Rb = 50 kΩ and the parameters of the transistor h11 = 400, h21 = 40, h22 = 0, you need to determine the voltage gain Ku and output voltage. When calculating use the equivalent circuit of the amplifier.

16. The parameters of the transistor connected according to the scheme with OE in a single-stage amplifier are as follows: h11 = 250 Ohm, h22 = 0.63 • 10‾³, h21 = 50, internal resistance of the source of amplified signals Rвн = 250 Ohm, Eux = 10 mV, collector resistance Circuit Rc = 2 kΩ, Rn = 200 Ohm.
Find the current gain, voltage gain, power gain, Rout, Rin amplifier. When calculating use the equivalent circuit of the amplifier.

17. In idle mode, the collector current IKP = 2 mA, the voltage on the collector is equal to half the voltage of the power source. The values of resistors in the circuits, collector R3 = 5 kOhm and emitter R4 = 1 kOhm. Determine the voltage on the base in the mode of rest and resistance of the resistors of the divider in the base circuit. The parameter h21 is taken equal to 40.

18. In idle mode, the collector current is IKP = 100 μA, the voltage at the base is Ubp = 2 B. Determine the values of the resistors in the collector and emitter circuits, at which the voltage gain is 5. Parameter h21 = 40.

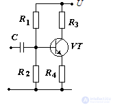
19. Determine the values of R1, R2, R3, R4 in the amplification stage circuit with OE, if the power supply voltage is U = 5 V, the gain of the cascade is 10. When calculating, accept Ukp = 0.4 • EB, h21> 30, Ikp = 200 μA.

20. Determine the voltage at the collector of the transistor for the amplification stage circuit with the OE, if the power supply voltage is E = 10 V, h21 = 50, R1 = 50 kΩ, R2 = 5 kΩ, R3 = 3 kΩ, R4 = 0.5 kΩ
Comments
To leave a comment
Electronics, Microelectronics, Element Base
Terms: Electronics, Microelectronics, Element Base